一、結構簡介
該車由底盤、副框及動力組合、箱體組合、清掃系統、液壓系統、氣動系統、灑水系統、電器電控系統等組成。
1、底盤
采用東風汽車公司生產的東風EQ3141KJ型(康明斯發動機)二類底盤。
2、副框及動力組合(圖一)

動力組合由散熱器、副發動機、液力偶合器、皮帶傳動裝置、風機組成。為清掃作業提供動力源。動力組合通過副框架固定在底盤大梁上。
3、箱體組合
箱體組合由箱體和動力罩剛性地連接在一起而成。箱體為無框架簿板焊接結構 ,箱體底層是貯水箱,中間為垃圾艙,箱體上部是聯通風機的風道,整個采用不銹鋼材料。的垃圾艙有效容積為3.3m3。艙的前端兩側各有一個帶蓋的吸管伸入端,是垃圾進入艙內的通道,箱體右側有一個加水口,可以用普通水管加水,箱體右側前底部有一個消防水管加水口,可以快速加水,其旁邊是卸水管,水箱加滿水后繼續加水,水將從此出泄出。箱體前端左側有水標和洗手水管,箱體后端左右各有一個排水口,箱體后門的開閉與鎖定由液壓系統控制。
4、清掃系統
清掃系統由左右側刷、左右吸口、左右吸塵膠管和一個寬刷組成。清掃道路左側時,左側刷外伸、左吸口落下、左吸口蓋板打開,寬刷轉向左側,此時右側刷回收,右吸口提升,右吸口蓋板關閉。清掃路的右側時則相反。
作業中,側刷遇到障礙物時能邊工作邊自動避讓,寬刷具有防反跳裝置,路面不平或作業速度較快時,亦不會發生反跳現象。另外,側刷和寬刷對地工作壓力都可以調節,以便在保證作業質量的前提下,最大限度地減輕磨損,延長壽命。吸口可以張角,遇到體積較大的垃圾時,其前沿能方便地翹起,使垃圾進入吸口。
無論左側還是右側,側刷與寬刷都既可單獨工作,又可同時工作,由操作者根據路面垃圾分布情況選擇。側刷單獨工作時的清掃寬度為1m,寬刷單獨工作時為1.7m,側刷寬刷同時工作時為2.1m。
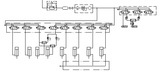
5、液壓系統(圖二).+

圖二 液壓系統
液壓系統由舉升液壓回路和清掃液壓回路兩部分組成。舉升回路控制垃圾箱體的傾翻和后艙門的開閉,由車左側的手動閥組操縱。清掃回路控制左右側掃刷、寬刷的旋轉,左右側掃刷的外伸和回收,寬刷的左右轉向,通過電磁閥在駕駛室內操作。兩回路各有一個壓力測試點,供調試時使用。其管路壓力調定方法如下:
⑴ 工作(清掃)回路
將壓力表裝在元件柜里的測試點上,將溢流閥調至最松位置,起動副發動機,按一般工況運轉,使7號電磁換向閥處于帶電狀態,其余閥斷電,慢慢調整溢流閥,使用權壓力達到11~12Mpa,鎖緊溢流閥。(調整螺釘順時針旋轉時壓力增高,反之降低)。
⑵ 廂體舉升回路
將手動閥組的溢流閥旋至最松位置,連接測壓表。主發動機怠速,掛取力器,利用后門缸開啟到位,調整系統壓力至5~7Mpa,鎖死溢流閥。
6、氣動系統(圖三)

圖三 氣系統
氣動系統從底盤貯氣筒取得氣源,工作壓力≮0.6Mpa。根據不同的作業要求,由電磁閥控制各個氣缸實現不同的動力組合。
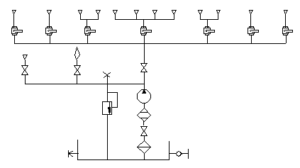
7、灑水系統(圖四)

圖四 水系統
水系統從貯水箱中獲得水源。貯水箱位于箱體底層,配有水位計和進、排水口。作業時,水噴嘴按作業要求持續噴水,防止揚塵,噴水位置和數量由操作者酌情掌握。水系統壓力應為0.35-0.4Mpa,可通過安全閥調定。
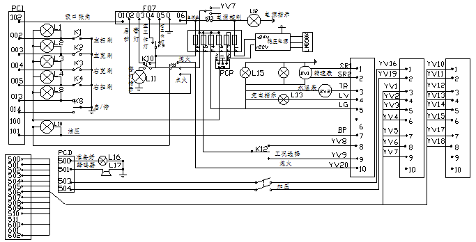
8、電氣電控系統(圖五)
圖五 電氣控制系統
電氣電控系統由控制箱、可編程序控制器(即PC機)及各種控制、顯示、報警、照明等電路組成。由于
使用了PC機,動作準確可靠,操作簡便,在粉塵和振動條件下,實現了很低的故障率。
二、全車系統操作(圖六)

1、控制箱(圖六)
控制箱位于駕駛室中兩座椅之間,除箱體傾翻及后門開關外,作業中所有的操作都在這里進行。
2、功能開關
功能開關位于駕駛室儀表盤下側,分上、中、下三檔。上位:吸口前部抬起(遇有大的塊狀垃圾);中位:執行控制盒指令,一般作業;下位:臨時中止作業,全部清掃系統處于回收位置。
3、取力器開關
取力器開關在方向盤右側。接通這個開關,液壓系統中的傾翻液壓回路油泵運轉。
4、手動閥
手動閥組固定在車左側副油箱底部,有兩個操作手柄,左邊的一個控制箱體起落,另一個控制后艙門的開閉。
5、安全支架(圖八)

安全支架位于副框架中部。無論何種理由升起箱體時,都不應忽略撐起安全架。
6、游動軟管(用戶需要,訂貨時提出)
游動軟管在箱體頂部,能夠繞車旋轉270度,使用時,連接加長管,可以吸入掃刷無法清掃的道路隔離帶或人行道的垃圾,還可以伸入2m深的井內抽吸污水污物。
7、壓力調節器(圖九)

壓力調節器的旋鈕在副框架橫梁兩端靠近吸口處,用以調節寬刷對地面工作壓力的大小。
8、噴槍
水噴槍掛在車左后輪檔泥板上方,用來沖洗箱體及車外表。
9、PC主機
控制箱上的所有指令全部由一個PC機負責處理后再去控制元件柜里的電磁鐵。
10、元件柜(圖十a、圖十b)

元件柜在箱體右側副發動機散熱器下方,是一個便于接觸的位置。這里集中了液壓、氣動和水系統中幾乎所有電磁閥,調整、檢查、維修等常常在這里進行。
三、操作方法
1、控制箱面板開關作用(圖十一)

⑴ 電源開關:是用來向PC機供電的,按下此按鈕,PC機處于工作狀態,電源燈亮表示接通。
⑵ 加壓開關:按下可增大側刷對地壓力。
⑶ 警燈開關:按下后車箱后上方警燈閃爍示警。
⑷ 起動停止開關:用來控制開始或中止清掃作業,按下開始作業,再按一下則停止。
⑸ 左側刷開關:按下左側刷單獨工作,同時按下左寬刷,則左側刷與寬刷同時工作。
⑹ 右側刷開關:按下右側刷單獨工作,同時按下右寬刷,則右側刷與寬刷同時工作。
⑺ 工況選擇開關:用來選擇副發動機的轉速,它有三個位置,對應副發動機的三種轉速:怠速700-800轉/分;一般工1600-1800轉/分;增強工況1900-2100轉/分。其中“一般和“增強”為作業工況。通常使用“一般”工況。對于特別密集的垃圾或是為了獲得最快的作業速度,可以使用“增強”工況,但作業時間不允許過長。
⑻ 起動、停止開關:用于副發動機起動、熄火的控制,有三個位置:熄火、零位、起動。扭動開關至起動位置,則副發動機自動起動,然后應將鎖匙向回擰至零位。
⑼
該車由底盤、副框及動力組合、箱體組合、清掃系統、液壓系統、氣動系統、灑水系統、電器電控系統等組成。
1、底盤
采用東風汽車公司生產的東風EQ3141KJ型(康明斯發動機)二類底盤。
2、副框及動力組合(圖一)

動力組合由散熱器、副發動機、液力偶合器、皮帶傳動裝置、風機組成。為清掃作業提供動力源。動力組合通過副框架固定在底盤大梁上。
3、箱體組合
箱體組合由箱體和動力罩剛性地連接在一起而成。箱體為無框架簿板焊接結構 ,箱體底層是貯水箱,中間為垃圾艙,箱體上部是聯通風機的風道,整個采用不銹鋼材料。的垃圾艙有效容積為3.3m3。艙的前端兩側各有一個帶蓋的吸管伸入端,是垃圾進入艙內的通道,箱體右側有一個加水口,可以用普通水管加水,箱體右側前底部有一個消防水管加水口,可以快速加水,其旁邊是卸水管,水箱加滿水后繼續加水,水將從此出泄出。箱體前端左側有水標和洗手水管,箱體后端左右各有一個排水口,箱體后門的開閉與鎖定由液壓系統控制。
4、清掃系統
清掃系統由左右側刷、左右吸口、左右吸塵膠管和一個寬刷組成。清掃道路左側時,左側刷外伸、左吸口落下、左吸口蓋板打開,寬刷轉向左側,此時右側刷回收,右吸口提升,右吸口蓋板關閉。清掃路的右側時則相反。
作業中,側刷遇到障礙物時能邊工作邊自動避讓,寬刷具有防反跳裝置,路面不平或作業速度較快時,亦不會發生反跳現象。另外,側刷和寬刷對地工作壓力都可以調節,以便在保證作業質量的前提下,最大限度地減輕磨損,延長壽命。吸口可以張角,遇到體積較大的垃圾時,其前沿能方便地翹起,使垃圾進入吸口。
無論左側還是右側,側刷與寬刷都既可單獨工作,又可同時工作,由操作者根據路面垃圾分布情況選擇。側刷單獨工作時的清掃寬度為1m,寬刷單獨工作時為1.7m,側刷寬刷同時工作時為2.1m。
5、液壓系統(圖二).+

圖二 液壓系統
液壓系統由舉升液壓回路和清掃液壓回路兩部分組成。舉升回路控制垃圾箱體的傾翻和后艙門的開閉,由車左側的手動閥組操縱。清掃回路控制左右側掃刷、寬刷的旋轉,左右側掃刷的外伸和回收,寬刷的左右轉向,通過電磁閥在駕駛室內操作。兩回路各有一個壓力測試點,供調試時使用。其管路壓力調定方法如下:
⑴ 工作(清掃)回路
將壓力表裝在元件柜里的測試點上,將溢流閥調至最松位置,起動副發動機,按一般工況運轉,使7號電磁換向閥處于帶電狀態,其余閥斷電,慢慢調整溢流閥,使用權壓力達到11~12Mpa,鎖緊溢流閥。(調整螺釘順時針旋轉時壓力增高,反之降低)。
⑵ 廂體舉升回路
將手動閥組的溢流閥旋至最松位置,連接測壓表。主發動機怠速,掛取力器,利用后門缸開啟到位,調整系統壓力至5~7Mpa,鎖死溢流閥。
6、氣動系統(圖三)

圖三 氣系統
氣動系統從底盤貯氣筒取得氣源,工作壓力≮0.6Mpa。根據不同的作業要求,由電磁閥控制各個氣缸實現不同的動力組合。
7、灑水系統(圖四)

圖四 水系統
水系統從貯水箱中獲得水源。貯水箱位于箱體底層,配有水位計和進、排水口。作業時,水噴嘴按作業要求持續噴水,防止揚塵,噴水位置和數量由操作者酌情掌握。水系統壓力應為0.35-0.4Mpa,可通過安全閥調定。
8、電氣電控系統(圖五)

電氣電控系統由控制箱、可編程序控制器(即PC機)及各種控制、顯示、報警、照明等電路組成。由于
使用了PC機,動作準確可靠,操作簡便,在粉塵和振動條件下,實現了很低的故障率。
二、全車系統操作(圖六)

1、控制箱(圖六)
控制箱位于駕駛室中兩座椅之間,除箱體傾翻及后門開關外,作業中所有的操作都在這里進行。
2、功能開關
功能開關位于駕駛室儀表盤下側,分上、中、下三檔。上位:吸口前部抬起(遇有大的塊狀垃圾);中位:執行控制盒指令,一般作業;下位:臨時中止作業,全部清掃系統處于回收位置。
3、取力器開關
取力器開關在方向盤右側。接通這個開關,液壓系統中的傾翻液壓回路油泵運轉。
4、手動閥
手動閥組固定在車左側副油箱底部,有兩個操作手柄,左邊的一個控制箱體起落,另一個控制后艙門的開閉。
5、安全支架(圖八)

安全支架位于副框架中部。無論何種理由升起箱體時,都不應忽略撐起安全架。
6、游動軟管(用戶需要,訂貨時提出)
游動軟管在箱體頂部,能夠繞車旋轉270度,使用時,連接加長管,可以吸入掃刷無法清掃的道路隔離帶或人行道的垃圾,還可以伸入2m深的井內抽吸污水污物。
7、壓力調節器(圖九)

壓力調節器的旋鈕在副框架橫梁兩端靠近吸口處,用以調節寬刷對地面工作壓力的大小。
8、噴槍
水噴槍掛在車左后輪檔泥板上方,用來沖洗箱體及車外表。
9、PC主機
控制箱上的所有指令全部由一個PC機負責處理后再去控制元件柜里的電磁鐵。
10、元件柜(圖十a、圖十b)

元件柜在箱體右側副發動機散熱器下方,是一個便于接觸的位置。這里集中了液壓、氣動和水系統中幾乎所有電磁閥,調整、檢查、維修等常常在這里進行。
三、操作方法
1、控制箱面板開關作用(圖十一)

⑴ 電源開關:是用來向PC機供電的,按下此按鈕,PC機處于工作狀態,電源燈亮表示接通。
⑵ 加壓開關:按下可增大側刷對地壓力。
⑶ 警燈開關:按下后車箱后上方警燈閃爍示警。
⑷ 起動停止開關:用來控制開始或中止清掃作業,按下開始作業,再按一下則停止。
⑸ 左側刷開關:按下左側刷單獨工作,同時按下左寬刷,則左側刷與寬刷同時工作。
⑹ 右側刷開關:按下右側刷單獨工作,同時按下右寬刷,則右側刷與寬刷同時工作。
⑺ 工況選擇開關:用來選擇副發動機的轉速,它有三個位置,對應副發動機的三種轉速:怠速700-800轉/分;一般工1600-1800轉/分;增強工況1900-2100轉/分。其中“一般和“增強”為作業工況。通常使用“一般”工況。對于特別密集的垃圾或是為了獲得最快的作業速度,可以使用“增強”工況,但作業時間不允許過長。
⑻ 起動、停止開關:用于副發動機起動、熄火的控制,有三個位置:熄火、零位、起動。扭動開關至起動位置,則副發動機自動起動,然后應將鎖匙向回擰至零位。
⑼
本文地址:http://www.njsjdq.com/news/jszl/736.html ,轉發請注明來源于:www.njsjdq.com
內容關鍵字: